廣州南創(chuàng)廠家供稱重傳感器、壓力傳感器和位移等傳感器
全國統(tǒng)一服務熱線 020-82303306
在線客服

主營世界傳感器品牌、品種齊全。中國的,世界的工業(yè)備品備件分銷商。

優(yōu)勢一:廣州南創(chuàng)是一家大型傳感器、儀器儀表、工業(yè)備品備件供應商!中國傳感器聯合會誠信“AAA”級成員,多家世界知名傳感企業(yè)中國市場開拓核心合作伙伴;

優(yōu)勢二:完善的全國銷售服務網絡:12個區(qū)域辦事處、20個分公司、遍布全國的售后服務網點,為您及時便捷實現上門無憂售后服務;

優(yōu)勢三:為國內多家知名大中型工業(yè)企業(yè)、航天工業(yè)企業(yè)提供國際工業(yè)自動化控制檢測設備及工業(yè)稱重系統(tǒng)和傳感器設備儀表,緊密依托中科院及清華大學的技術支持合作交流。技術、產品可靠值得信賴;

優(yōu)勢四:鄭重承諾:三個月內產品有質量問題無條件退換貨;

優(yōu)勢五:資深工程師為您提供全方位完善的一條龍銷售服務指導,售前專業(yè)方案設計、產品選型指導,售中安裝調試,售后三年上門免費跟蹤維修服務;

優(yōu)勢六:全國優(yōu)勢價格支持銷售,凡在我們公司購買產品,如果同類產品高于主流市場價格,我們雙倍補還差價,性價比高!

優(yōu)勢七:我公司在國外設有7個境外專業(yè)采購中心,保證原裝進口,貨期快捷,價格具有優(yōu)勢,可靠、放心

優(yōu)勢八:我公司代理經銷169個品牌,全國同類產品系列全、品種多、多家知名企業(yè)中國合作伙伴代理。

擁有全國八千多家固定合作客戶
  • 杭州橡膠集團有限公司
  • 華潤水泥控股有限公司
  • 上海寶鋼集團公司
  • 新希望集團控股有限公司
  • 洛陽浮法玻璃集團有限責任公司
  • 河南恒大化工有限公司
  • 玖龍紙業(yè)控股有限公司
  • 神華煤炭集團
  • 哈藥集團醫(yī)藥有限公司
  • 三一重工
  • 鞍山鋼鐵集團公司
  • 道達爾石化中國有限公司
  • 中國石油化工股份有限公司
  • 廣州藍月亮實業(yè)有限公司
  • 比亞迪股份有限公司
  • 合作企業(yè)太多,只列舉部分企業(yè)…

Dytran 2300C3

【中國正式★一級總銷售商】【廣州★南創(chuàng)】公司:有出售美國Dytran 2300C3壓力傳感器,生產廠家價格美國Dytran 2300C3壓力傳感器多少錢 供應商 了解信息,原裝進口、現貨,保證滿意!xPq廣州南創(chuàng)電子科技有限公司
產品品牌:美國DytranxPq廣州南創(chuàng)電子科技有限公司
產品型號:2300C3xPq廣州南創(chuàng)電子科技有限公司
產品類型:壓力傳感器xPq廣州南創(chuàng)電子科技有限公司
產品名稱:美國Dytran 2300C3壓力傳感器xPq廣州南創(chuàng)電子科技有限公司
xPq廣州南創(chuàng)電子科技有限公司
美國Dytran壓力傳感器原理:xPq廣州南創(chuàng)電子科技有限公司
美國Dytran半導體壓電阻抗擴散壓力傳感器是在薄片表面形成半導體變形壓力,通過外力(壓力)使薄片變形而產生壓電阻抗效果,從而使阻抗的變化轉換成電信號。稱重傳感器靜電容量型,是將玻璃的固定極和硅的可動極相對而形成電容,將通過外力(壓力)使可動極變形所產生的靜電容量的變化轉換成電氣信號。xPq廣州南創(chuàng)電子科技有限公司
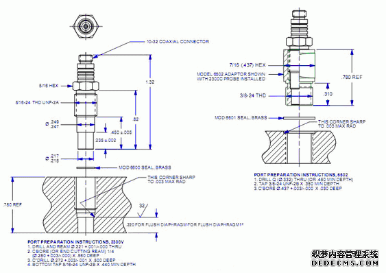
美國Dytran 2300C3壓力傳感器產品尺寸圖:xPq廣州南創(chuàng)電子科技有限公司
xPq廣州南創(chuàng)電子科技有限公司
美國Dytran 2300C3壓力傳感器特點:xPq廣州南創(chuàng)電子科技有限公司
。壓電式壓力傳感器-電荷型xPq廣州南創(chuàng)電子科技有限公司
。靈敏度 0.35 pC/psixPq廣州南創(chuàng)電子科技有限公司
。量程 1000 psixPq廣州南創(chuàng)電子科技有限公司
。重量 6.5 gramsxPq廣州南創(chuàng)電子科技有限公司
。最大壓力 15000 psixPq廣州南創(chuàng)電子科技有限公司
。沖擊 10000 gxPq廣州南創(chuàng)電子科技有限公司
。固有頻率 500 kHzxPq廣州南創(chuàng)電子科技有限公司
。溫度 -73~260 ℃xPq廣州南創(chuàng)電子科技有限公司
。安裝方式 5/16-24螺紋xPq廣州南創(chuàng)電子科技有限公司
如果您對2300C3壓力傳感器的產品價格,圖片,貨期,參數,選型等詳細信息有需要,歡迎撥打【廣州南創(chuàng)】全國統(tǒng)一服務熱線:020-82303306。xPq廣州南創(chuàng)電子科技有限公司
其他品牌熱銷型號如下請點擊:xPq廣州南創(chuàng)電子科技有限公司
美國Vishay Nobel稱重模塊KIS-11xPq廣州南創(chuàng)電子科技有限公司
WE2107顯示控制儀表xPq廣州南創(chuàng)電子科技有限公司
奧地利E+E EE220系列溫濕度變送器

本站內容未經許可禁止復制轉載!©2002 廣州南創(chuàng)電子科技有限公司

聯系電話:020-82303306 公司傳真:020-82303511下班及雙休日請撥打各品牌負責人電話電話詳情

備案號: 粵ICP備11086172號-1

經營性網站備案信息 安全網絡中心 信息中心