廣州南創(chuàng)廠家供稱重傳感器、壓力傳感器和位移等傳感器
全國統(tǒng)一服務熱線 020-82303306
在線客服

主營世界傳感器品牌、品種齊全。中國的,世界的工業(yè)備品備件分銷商。

優(yōu)勢一:廣州南創(chuàng)是一家大型傳感器、儀器儀表、工業(yè)備品備件供應商!中國傳感器聯(lián)合會誠信“AAA”級成員,多家世界知名傳感企業(yè)中國市場開拓核心合作伙伴;

優(yōu)勢二:完善的全國銷售服務網絡:12個區(qū)域辦事處、20個分公司、遍布全國的售后服務網點,為您及時便捷實現上門無憂售后服務;

優(yōu)勢三:為國內多家知名大中型工業(yè)企業(yè)、航天工業(yè)企業(yè)提供國際工業(yè)自動化控制檢測設備及工業(yè)稱重系統(tǒng)和傳感器設備儀表,緊密依托中科院及清華大學的技術支持合作交流。技術、產品可靠值得信賴;

優(yōu)勢四:鄭重承諾:三個月內產品有質量問題無條件退換貨;

優(yōu)勢五:資深工程師為您提供全方位完善的一條龍銷售服務指導,售前專業(yè)方案設計、產品選型指導,售中安裝調試,售后三年上門免費跟蹤維修服務;

優(yōu)勢六:全國優(yōu)勢價格支持銷售,凡在我們公司購買產品,如果同類產品高于主流市場價格,我們雙倍補還差價,性價比高!

優(yōu)勢七:我公司在國外設有7個境外專業(yè)采購中心,保證原裝進口,貨期快捷,價格具有優(yōu)勢,可靠、放心

優(yōu)勢八:我公司代理經銷169個品牌,全國同類產品系列全、品種多、多家知名企業(yè)中國合作伙伴代理。

擁有全國八千多家固定合作客戶
  • 杭州橡膠集團有限公司
  • 華潤水泥控股有限公司
  • 上海寶鋼集團公司
  • 新希望集團控股有限公司
  • 洛陽浮法玻璃集團有限責任公司
  • 河南恒大化工有限公司
  • 玖龍紙業(yè)控股有限公司
  • 神華煤炭集團
  • 哈藥集團醫(yī)藥有限公司
  • 三一重工
  • 鞍山鋼鐵集團公司
  • 道達爾石化中國有限公司
  • 中國石油化工股份有限公司
  • 廣州藍月亮實業(yè)有限公司
  • 比亞迪股份有限公司
  • 合作企業(yè)太多,只列舉部分企業(yè)…

【1242-150kg】_Tedea_特迪亞稱重傳感器

美國Tedea 1242-150kg傳感器的產品及應用領域:DOJ廣州南創(chuàng)電子科技有限公司

1)產品:稱重傳感器、稱重控制器、DOJ廣州南創(chuàng)電子科技有限公司

稱重儀表、壓力傳感器、位移傳感器、壓力變送器DOJ廣州南創(chuàng)電子科技有限公司

2)應用領域:合金鋼磨合結構廣泛應用于開關壓力檢測,熱壓機械壓力檢測,壓裝機械壓力檢測,裝配過盈力的檢測等空間小測力場所。DOJ廣州南創(chuàng)電子科技有限公司

 DOJ廣州南創(chuàng)電子科技有限公司

 DOJ廣州南創(chuàng)電子科技有限公司

1242-150kgDOJ廣州南創(chuàng)電子科技有限公司

美國特迪亞Tedea傳感器1242-150kg稱重傳感器系列詳細信息請點擊:威世特迪亞-亨特利;可查找Tedea 1242系列頁面了解傳感器具體技術參數及相關系列產品型號等信息。DOJ廣州南創(chuàng)電子科技有限公司

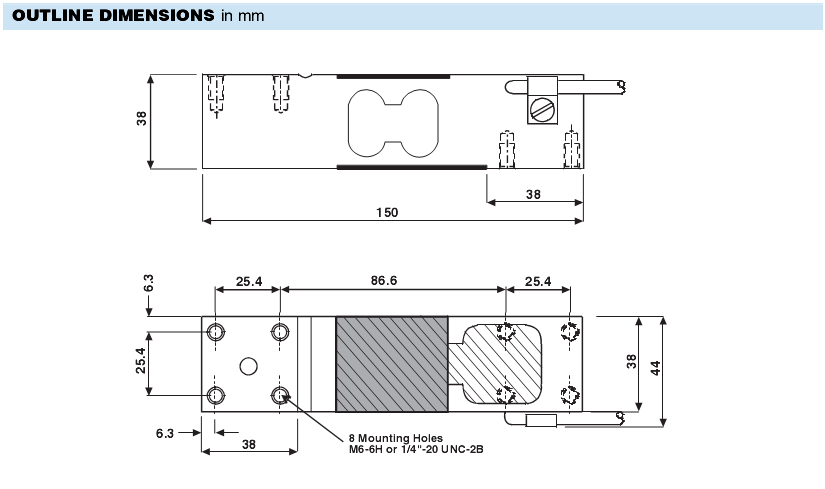
Tedea 1242-150kg傳感器內部解剖圖:(其系列的1241-250kg、1242-50kg、1242-100kg選型圖也一樣的)DOJ廣州南創(chuàng)電子科技有限公司

 DOJ廣州南創(chuàng)電子科技有限公司

DOJ廣州南創(chuàng)電子科技有限公司

 DOJ廣州南創(chuàng)電子科技有限公司

 美國Tedea是廣州南創(chuàng)有知名品牌--是特迪亞稱重傳感器的總銷售商商,供應Tedea 1242-150kg稱重傳感器,Tedea ——值得信賴的世界頂尖傳感器集團,進口原包裝原裝正品,質量有保證!我們提供專業(yè)的技術工程師為您提供1242-150kg產品的安裝幫助!DOJ廣州南創(chuàng)電子科技有限公司

 DOJ廣州南創(chuàng)電子科技有限公司

 DOJ廣州南創(chuàng)電子科技有限公司

 DOJ廣州南創(chuàng)電子科技有限公司

DOJ廣州南創(chuàng)電子科技有限公司

 DOJ廣州南創(chuàng)電子科技有限公司

除了特迪亞稱重傳感器1242-150kg系列,Tedea 1242-150kg傳感器還有其他熱買系列型號:DOJ廣州南創(chuàng)電子科技有限公司

1022稱重傳感器系列型號:1022-3kg、1022-5kg、1022-7kg(這一型號還可以這樣寫MODEL NO 1022 3kgMODEL NO 1022 5kgMODEL NO 1022 7kg)DOJ廣州南創(chuàng)電子科技有限公司

 DOJ廣州南創(chuàng)電子科技有限公司

3410稱重傳感器系列熱賣型號:DOJ廣州南創(chuàng)電子科技有限公司

3410-1000lbs3410-1500lbs3410-2500lbs3410-4000lbs(這一型號另一種寫法:MODEL 3410 1000lbs、MODEL 3410 1500lbs、MODEL 3410 2500lbs、MODEL 3410 4000lbs)DOJ廣州南創(chuàng)電子科技有限公司

614稱重傳感器系列熱銷型號:DOJ廣州南創(chuàng)電子科技有限公司

614-200kg、614-250kg、614-300kg(這一系列型號另種寫法:MODEL 614 50kgDOJ廣州南創(chuàng)電子科技有限公司

MODEL 614 100kg、MODEL 614 150kg)DOJ廣州南創(chuàng)電子科技有限公司

 DOJ廣州南創(chuàng)電子科技有限公司

 DOJ廣州南創(chuàng)電子科技有限公司

 DOJ廣州南創(chuàng)電子科技有限公司

 DOJ廣州南創(chuàng)電子科技有限公司

 DOJ廣州南創(chuàng)電子科技有限公司

 DOJ廣州南創(chuàng)電子科技有限公司

 DOJ廣州南創(chuàng)電子科技有限公司

 DOJ廣州南創(chuàng)電子科技有限公司

 DOJ廣州南創(chuàng)電子科技有限公司


本站內容未經許可禁止復制轉載!©2002 廣州南創(chuàng)電子科技有限公司

聯(lián)系電話:020-82303306 公司傳真:020-82303511下班及雙休日請撥打各品牌負責人電話電話詳情

備案號: 粵ICP備11086172號-1

經營性網站備案信息 安全網絡中心 信息中心